Sound & Light
Laser Soundsteuerung
Soundsteuerung für einen Laser, die sich automatisch auf den Lautstärkepegel einstellt.
Mini DMX-Box
Kleine DMX-Box zur Ansteuerung eines Stroboblitzers mit drei Kanälen.
USB to DMX Converter
Box zur Anbindung von Lichteffektgeräten an einen PC per DMX-Schnittstelle.
Frequenzweiche
Aufsplitten eines Audiosignals in Bässe, Mitten und Höhen sowie Abtastung der Signale und Übertragung an einen PC per serieller Schnittstelle.
Lichtorgel 2 kW
Lichtorgel mit einer Leistung von 2 kW, per RS232- und DMX-Schnittstelle ansteuerbar.
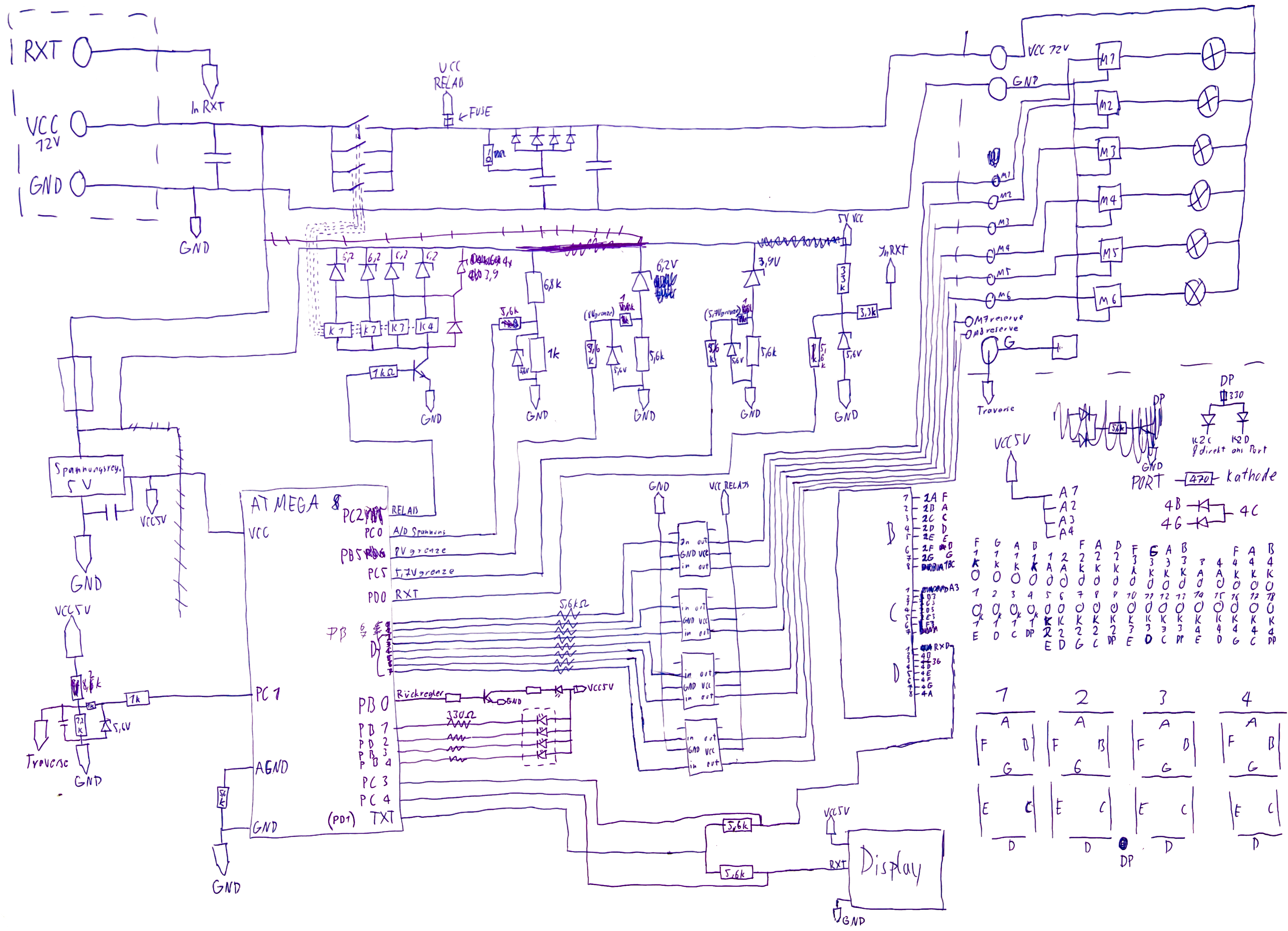
RS232 Lichtorgel
Computergesteuerte Lichtorgel mit 6x 50 Watt Halogenstrahlern, Display für Musiktitel, Spannungsanzeige und serieller Schnittstelle.
Programmierung: Mikrocontroller (ATMEGA8) in C++, Windows-Anwendung in VB6
Soundbox
Erste selbstgebaute Soundbox zu Zeiten in den denen es noch keine Bose SoundLink Mini gab.
 (Date8A40C5EC))
 (Date8A40C5EC))
 (Date8A40C5EC))
 (Date8A40C5EC))
 (Date8A40C5EC))
 (Date8A40C5EC))
 (Date8A40C5EC))
 (Date8A40C5EC))
 (Date8A40C5EC))
 (Date8A40C5EC))
 (Date8A40C5EC))
 (Date8A40C5EC))
 (Date8A40C5EC))
 (Date8A40C5EC))
 (Date8A40C5EC))
 (Date8A40C5EC))
 (Date8A40C5EC))
 (Date8A40C5EC))
 (Date8A40C5EC))
 (Date8A40C5EC))
 (Date8A40C5EC))
 (Date8A40C5EC))
 (DateAD60C91F))
 (DateAD60C91F))
 (DateAD60C91F))
 (DateAD60C91F))
 (DateAD60C91F))
 (DateAD60C91F))
 (DateAD60C91F))